Código QR
Sobre nosotros
Productos
Contáctenos

Teléfono

Fax
+86-574-87168065

Correo electrónico

DIRECCIÓN
Área industrial de Luotuo, distrito de Zhenhai, ciudad de Ningbo, China
El acoplamiento universal SWC-WD de Raydafon sin brida flexible está construido para mover el torque de manera eficiente en la maquinaria pesada: piense en molinos de acero de acero, grúas, equipos de elevación, todo ese equipo de servicio pesado. Tiene un diseño de brida compacto y no telescópico, con diámetros de giro que varían de 180 mm a 1320 mm. Este acoplamiento universal de brida corta puede manejar desalineaciones angulares de hasta 15 grados y torque de hasta 16000 kN · m, por lo que incluso en espacios estrechos donde no hay mucho espacio, mantiene la transferencia de energía de manera confiable. Lo hacemos de acero 35crmo de alta resistencia, con una estructura de rodamientos que no necesita pernos, perfecta para acoplamientos universales para maquinaria pesada y acoplamientos universales no telescópicos para aplicaciones industriales. No requiere mucho mantenimiento y dura para siempre, que es exactamente lo que necesita en configuraciones difíciles.
Nuestra fabricación en China sigue a los estándares ISO 9001, por lo que el acoplamiento universal SWC-WD se mantiene en condiciones de duras. El eje cruzado está chapado en cromo para resistir la corrosión, lo que se suma a su dureza. Su diseño rígido de brida soldada hace que la instalación sea muy fácil, especialmente en el equipo metalurgia y minero donde el movimiento axial es bastante mínimo. Podemos personalizar el tamaño para satisfacer sus necesidades, por lo que este acoplamiento universal corto duradero funciona muy bien como acoplamientos universales personalizados para sistemas de grúas y otros trabajos de servicio pesado. Y el precio también es competitivo. La artesanía precisa de Raydafon significa menos tiempo de inactividad y equipos más confiables, algo con los que los operadores industriales en todo el mundo pueden contar.
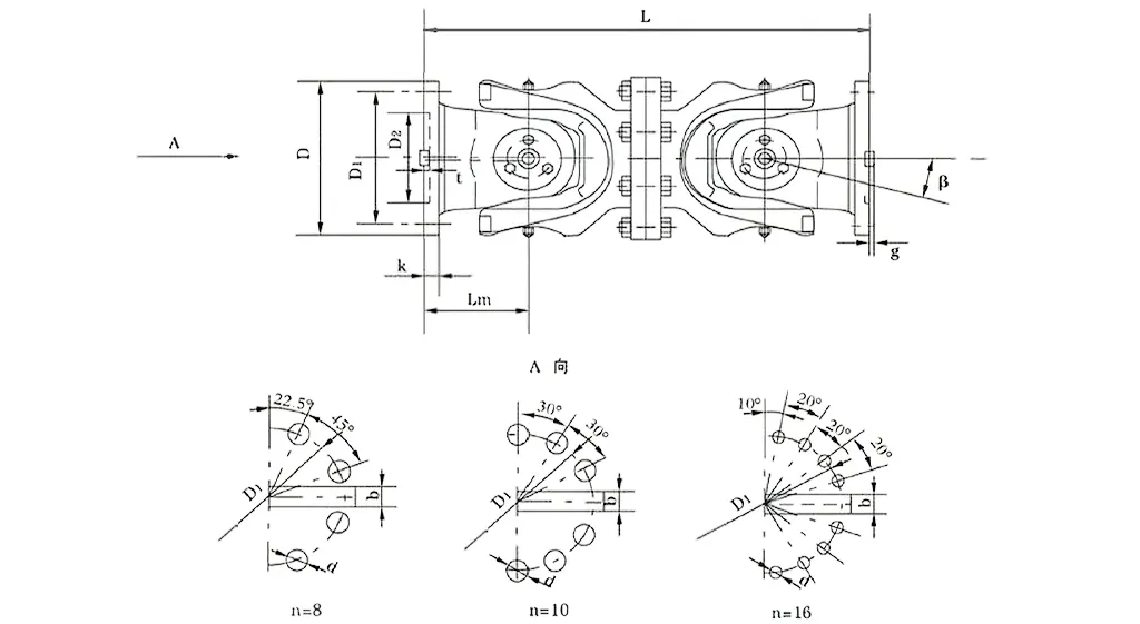
| No. | Diámetro de giro D mm | Torque nominal Tennesse KN · M | Ángulo de pliegue de hachas β (°) | Torque cansado TF KN · M | Tamaño (mm) | Peso (kg) | |||||||||
| Lam | D1 (JS11) | D2 (H7) | Lm | Dakota del Norte | k | t | b (H9) | g | Lam | Aumentar 100 mm | |||||
| SWC180WD | 180 | 12.5 | 6.3 | ≤25 | 440 | 155 | 105 | 110 | 8-17 | 17 | 5 | - | - | 0.145 | 52 |
| SWC225WD | 225 | 40 | 20 | ≤15 | 480 | 196 | 135 | 120 | 8-17 | 20 | 5 | 32 | 9.0 | 0.355 | 82 |
| SWC250WD | 250 | 63 | 31.5 | 560 | 218 | 150 | 140 | 8-19 | 25 | 6 | 40 | 12.5 | 0.831 | 127 | |
| SWC285WD | 285 | 90 | 45 | 640 | 245 | 170 | 160 | 8-21 | 27 | 7 | 40 | 15.0 | 1.715 | 189 | |
| SWC315WD | 315 | 125 | 63 | 720 | 280 | 185 | 180 | 10-23 | 32 | 8 | 40 | 15.0 | 2.820 | 270 | |
| SWC350WD | 350 | 180 | 90 | 776 | 310 | 210 | 194 | 10-23 | 35 | 8 | 50 | 16.0 | 4.791 | 370 | |
| SWC390WD | 390 | 250 | 125 | 860 | 345 | 235 | 215 | 10-25 | 40 | 8 | 70 | 18.0 | 8.229 | 524 | |
| SWC440WD | 440 | 355 | 180 | 1040 | 390 | 255 | 260 | 16-28 | 42 | 10 | 80 | 20.0 | 15.320 | 798 | |
| SWC490WD | 490 | 500 | 250 | 1080 | 435 | 275 | 270 | 16-31 | 47 | 12 | 90 | 22.5 | 25.740 | 1055 | |
| SWC550WD | 550 | 710 | 355 | 1220 | 492 | 320 | 305 | 16-31 | 50 | 12 | 100 | 22.5 | 46.780 | 1524 | |
| SWC620WD | 620 | 1000 | 500 | 1360 | 555 | 380 | 340 | 10-38 | 55 | 12 | 100 | 25.0 | 83.760 | 2120 | |
* 1. TF-bajo la alternancia cargue el par que permite de acuerdo con la resistencia a la fatiga.
El acoplamiento de la articulación universal SWC de Raydafon, generalmente llamado el acoplamiento de la articulación universal del eje Cardan SWC, no es solo una parte; Es imprescindible en los campos industriales de servicio pesado, como molinos de rollitos, equipos de elevación y todo tipo de configuraciones de maquinaria pesada y resistentes. Como un acoplamiento de unión universal de alto torque, hace un trabajo sólido que vincula dos ejes de transmisión que no están perfectamente alineados, asegurándose de que la potencia se entregue sin problemas incluso cuando las condiciones de trabajo son realmente duras.
Hablemos de sus especificaciones básicas: el diámetro de giro varía de φ58 a φ620, el par nominal va de 0.15 a 1000 kN · m, y el ángulo de pliegue del eje no es más de 25 °.
Este acoplamiento funciona mejor en puntos específicos, como cuando necesita un acoplamiento de articulación universal confiable de servicio pesado para operaciones de molinos de rodadura, o un acoplamiento de eje de articulación universal SWC duradero en equipos de elevación y manejo de materiales. En estos casos, muestra su fuerza: incluso bajo un gran estrés, mantiene las operaciones estables, sin desorden ni desgloses.
El acoplamiento conjunto universal SWC de Raydafon no solo se une, está construido con ingeniería inteligente y actualizada para funcionar muy bien y aguantar mucho en uso industrial. Caminemos a través de lo que hace que su estructura se destaque.
Primero, tiene una configuración razonable y segura: utilizamos un diseño integrado de cabezal de horquilla para este acoplamiento de articulación universal industrial, que reduce los riesgos como los pernos que se sueltan o se rompen. Ese ajuste solo lo hace 30% -50% más resistente en general, por lo que funciona de manera segura y consistente. En comparación con los acoplamientos regulares, dura mucho más y evita problemas comunes en puntos de alta tensión, como los sistemas de acoplamiento de articulación universal de maquinaria pesada que ve en trabajos difíciles.
Luego está su capacidad mejorada de carga: este acoplamiento de unión universal de servicio pesado SWC está hecho para manejar grandes pesos, por lo que es imprescindible en lugares que necesitan manejo de carga de nivel superior, como equipo de minería o máquinas de construcción.
También alcanza una alta eficiencia de transmisión, hasta el 98.6%. Como un acoplamiento de articulación universal eficiente para una gran transmisión de energía, recorta el uso de energía y los costos que vienen con él. Es por eso que es una elección principal para las soluciones de acoplamiento de articulaciones universales que ahorran energía en configuraciones de transmisión industrial de alta potencia.
Y funciona suave con bajo ruido: la transmisión se mantiene estable, y el ruido generalmente se presenta entre 30 y 40 dB (a). Este acoplamiento articular universal de bajo ruido mantiene las operaciones en silencio, lo cual es perfecto para puntos industriales donde el ruido es un problema, todo mientras mantiene la confiabilidad a un alto nivel.
⭐⭐⭐⭐⭐ Zhang Wei, Ingeniero Jefe, Henan Mining Equipment Co., Ltd.
Hemos estado poniendo el acoplamiento universal de tipo SWC-WD de Raydafon sin Flex Tipo de brida en nuestra maquinaria minera, y ha sido un ajuste perfecto. Su diseño compacto es justo lo que necesitamos para espacios ajustados donde no hay mucho espacio de sobra, y la construcción es lo suficientemente difícil como para mantener las operaciones estables. Incluso cuando se ejecuta sin parar en condiciones de servicio pesado, este acoplamiento nunca nos decepciona, sin fallas en absoluto. A nuestro equipo de mantenimiento le encanta que apenas necesita verificar, lo que significa que podemos mantener la producción moviéndose sin problemas adicionales.
⭐⭐⭐⭐⭐ Michael Brown, Gerente de Operaciones, Texas Steel Works, EE. UU.
Nuestro taller de Texas ordenó el acoplamiento universal de tipo SWC-WD sin brida Flex de Raydafon, y sinceramente, la calidad nos ha impresionado. Los acoplamientos están mecanizados muy bien, instalarlos es muy fácil y se mantienen de manera confiable incluso cuando están bajo carga. ¿Qué es lo que más me llamó? Qué bien equilibra el precio y el rendimiento: a menudo no se encuentra ese punto óptimo. Encontrar un proveedor que entregue constantemente este nivel de calidad no es fácil, pero Raydafon ha demostrado absolutamente que son un socio confiable para nosotros.
⭐⭐⭐⭐⭐ Anna Müller, Supervisora de mantenimiento, Berlin Industrial Solutions, Alemania
Ponemos el corto SWC-WD de Raydafon sin un acoplamiento universal de tipo de brida flexible en nuestra línea de equipos de Berlín, y los resultados han sido excelentes. El producto en sí se siente sólido, la soldadura es precisa, sin un trabajo de mala calidad aquí, y hasta ahora, se mantiene muy bien, mostrando una durabilidad de primer nivel. En comparación con algunas otras marcas que hemos usado aquí en Europa, este acoplamiento es mucho más confiable, y el precio también es mucho más competitivo. Si otras compañías buscan acoplamientos universales confiables, recomendaría absolutamente Raydafon.
El acoplamiento universal de tipo SWC-WD de Raydafon sin brida flexible, a menudo llamado acoplamiento de articulación universal del eje de cardán SWC, está construido para manchas industriales apretadas, donde el espacio es limitado y necesita un diseño de longitud fija (sin extensión telescópica). Como un acoplamiento de articulación universal de alto torque, mueve el torque de manera eficiente entre ejes que no están alineados, manejando desviaciones angulares de hasta 25 grados, y se mantiene confiable incluso en entornos de servicio pesado.
Hablemos sobre sus características clave: tiene una estructura compacta y rígida: esta configuración de brida corta y no flexible lo convierte en un acoplamiento de articulación universal de servicio pesado confiable para operaciones de molinos de rodadura, lo que da estabilidad adicional en las configuraciones donde el movimiento axial es mínimo. Es por eso que funciona tan bien para conexiones de distancia fija en maquinaria difícil. Luego está su alta capacidad de carga: utilizamos materiales resistentes como hierro fundido o acero de aleación para hacerlo, por lo que es un acoplamiento de eje de articulación universal SWC duradero en equipos de elevación y manejo de materiales. Sostiene grandes pesas y transmite más torque que otros acoplamientos del mismo diámetro, lo que lo hace perfecto para cargas pesadas en minería o equipo de construcción.
Este acoplamiento articular universal industrial también compensa realmente bien la desalineación, ya sea desalineación angular, paralela o axial, no se meta con la velocidad de rotación o la transferencia de par. Eso significa un funcionamiento suave en sistemas de acoplamiento de unión universal de maquinaria pesada. Y es eficiente en la transmisión de energía: alcanzar hasta un 98.6% de eficiencia, este acoplamiento de articulación universal de servicio pesado SWC mantiene baja la pérdida de energía, lo que lo convierte en un acoplamiento de articulación universal eficiente para una gran transmisión de energía en configuraciones industriales de alta potencia.
Además, está diseñado para ahorrar energía y correr tranquilo: si necesita soluciones de acoplamiento universal universal que ahorra energía, esta es una elección superior, reduciendo los costos operativos. Y mantiene el ruido entre 30-40 dB (a), por lo que este acoplamiento de la articulación universal de bajo ruido se ajusta a la derecha en los puntos industriales donde el ruido es una preocupación.
Este acoplamiento realmente brilla en escenarios específicos, como cuando necesita un acoplamiento de articulación universal confiable de servicio pesado para operaciones de molinos de rodadura, o un acoplamiento de eje de articulación universal SWC duradero en equipos de elevación y manejo de materiales. En estos casos, incluso con cargas extremas y espacio limitado, mantiene las operaciones estables, sin problemas.
Cuando se trata de aplicaciones de acoplamiento conjunta universal industrial, nuestra variante SWC-WD se destaca con ingeniería inteligente que hace que funcione mejor y dure más. Hablemos sobre su estructura clave: tiene una configuración razonable y segura con un diseño de cabezal de horquilla integrado: esto elimina los problemas como los pernos que se sueltan o se rompen, lo que aumenta la fuerza general en un 30%-50%. Eso significa que funciona de manera segura y confiable, dura más que los modelos de estilo antiguo, y evita las averías comunes en lugares de alto estrés, como los sistemas de acoplamiento de articulaciones universales de maquinaria pesada.
Además, puede manejar mucha más carga: la construimos para soportar pesas más pesadas, por lo que este acoplamiento de juntas universales de servicio pesado SWC es perfecto para lugares que necesitan un manejo de carga difícil, como equipos de minería o construcción. También mueve la potencia de manera muy eficiente, alcanzando hasta un 98.6% de eficiencia de transmisión. Como un acoplamiento de articulación universal eficiente para una gran transmisión de energía, reduce el uso de energía y los costos que vienen con él, lo que lo convierte en una mejor elección para soluciones de acoplamiento de juntas universales que ahorran energía en configuraciones de transmisión industrial de alta potencia.
Y funciona suave sin apenas ruido: la transmisión se mantiene estable y el ruido generalmente permanece entre 30 y 40 dB (a). Este acoplamiento articular universal de bajo ruido mantiene las operaciones en silencio, lo cual es perfecto para puntos industriales donde el ruido es un problema, todo mientras mantiene la confiabilidad a un alto nivel.
Raydafon no es solo otro nombre en las piezas de transmisión: somos un fabricante líder y proveedor de componentes de transmisión de alto rendimiento y soluciones de maquinaria industrial, y tenemos un enfoque fuerte en productos como el acoplamiento de la junta universal del eje de cardán SWC. Comenzamos para mantenernos al día con lo que necesitan las industrias globales a medida que evolucionan, y con el tiempo, hemos creado una alineación completa: cajas de cambios, ejes de transmisión, cilindros hidráulicos, poleas, máquinas herramientas de precisión, todo hecho para aumentar cuán bien funcionan los sectores agrícolas y pesados. Somos grandes en la innovación, por lo que podemos ofrecer un acoplamiento de articulación universal de servicio pesado confiable para las operaciones de molinos de rodadura que se ajustan incluso a los sistemas más complejos sin problemas.
Nuestras instalaciones también son de primera categoría: tenemos talleres CNC, equipo de tratamiento y tratamiento térmico, y sistemas avanzados de medición 3D. Nos apegamos a estándares de calidad estrictos como ISO9001/TS16949, y esa configuración nos permite hacer soluciones de acoplamiento de articulación universal de alto torque que mueven el torque excelente y manejan la desalineación como un profesional. Tome nuestro acoplamiento duradero de eje de articulación SWC universal en equipos de elevación y manejo de materiales, por ejemplo, está construido para lugares que necesitan una potencia resistente de carga. ¿Y nuestra línea de acoplamiento de articulación universal industrial? Cubre todo tipo de usos donde la precisión y la robustez son más importantes.
El ochenta por ciento de lo que hacemos se exporta, se siente a lugares como Estados Unidos, Alemania, Japón, Italia, Malasia, Australia y Medio Oriente. Tenemos redes sólidas en China, Corea del Sur, el Reino Unido, Singapur, los Estados Unidos y España también, por lo que somos sólidos a nivel mundial. Ese alcance nos permite ofrecer opciones personalizadas de acoplamiento de articulación universal de servicio pesado SWC: se abarca exactamente de lo que los clientes necesitan, como en los sistemas de acoplamiento de articulación universal de maquinaria pesada, donde permanecer estable bajo cargas extremas no es negociable.
Nos preocupamos por la sostenibilidad y la fabricación de soluciones que ponen a los clientes primero. Es por eso que desarrollamos soluciones de acoplamiento de articulación universal que ahorran energía que alcanzan hasta un 98.6% de eficiencia de transmisión, lo que reduce el uso de energía en las configuraciones de alta potencia. Ya sea que necesite un acoplamiento de articulación universal eficiente para una gran transmisión de energía o un acoplamiento articular universal de bajo ruido para puntos industriales donde el ruido es un problema, nuestros productos vienen con un servicio completo de ventas. Así es como nos hemos convertido en un socio de confianza en la industria de la transmisión: no solo vendemos piezas, sino que las respaldamos.
DIRECCIÓN
Área industrial de Luotuo, distrito de Zhenhai, ciudad de Ningbo, China
Teléfono
Correo electrónico


+86-574-87168065


Área industrial de Luotuo, distrito de Zhenhai, ciudad de Ningbo, China
Copyright © Raydafon Technology Group Co., limitado todos los derechos reservados.
Links | Sitemap | RSS | XML | política de privacidad |
