Código QR
Sobre nosotros
Productos
Contáctenos

Teléfono

Fax
+86-574-87168065

Correo electrónico

DIRECCIÓN
Área industrial de Luotuo, distrito de Zhenhai, ciudad de Ningbo, China
El acoplamiento universal SWC-DH Flex Tipo de soldadura SWC-DH de Raydafon está construido para conectar ejes desalineados en engranajes de servicio pesado: piense en molinos, polipastos y máquinas de procesamiento de acero. Es un acoplamiento universal de flexión corta compacta, con un diámetro de giro que varía de 45 mm a 390 mm. Incluso cuando los ejes están apagados hasta 25 grados (desalineación angular), todavía mueve el torque de manera eficiente, lo que maquilla a 1000 kN · m, lo que se adapta a las necesidades de energía del equipo pesado.
Lo hacemos con acero 35crmo de alta resistencia y agregamos cuatro cojinetes de aguja, por lo que se sostiene bajo cargas pesadas. Es por eso que es una elección sólida para los acoplamientos universales de maquinaria industrial, y funciona muy bien como acoplamientos universales soldados en equipos pesados en lugares donde las cargas permanecen altas sin parar. Su diseño de flexión corta es perfecto para máquinas con poco espacio para el movimiento axial, también da una solución de transmisión difícil para espacios industriales difíciles.
Raydafon es un fabricante con sede en China con certificación ISO 9001, por lo que nos apegamos a reglas de calidad estrictas para cada acoplamiento universal SWC-DH. El eje cruzado obtiene una placa cromada para combatir la corrosión, por lo que dura incluso cuando las condiciones son duras. El yugo soldado también facilita la instalación, solo alinee los ejes correctamente y funciona en su mejor momento. Lo encontrará en el equipo en la metalurgia, la minería y los sistemas de grúas, no hay problema.
Además, este acoplamiento viene en diferentes tamaños y clasificaciones de par. Si necesita un acoplamiento universal personalizado para maquinaria industrial, por ejemplo, para cosechadores u otro equipo específico, podemos adaptarlo a sus necesidades y el precio permanece competitivo. Tenemos los conocimientos de fabricación para hacer que este breve acoplamiento flexible reduzca el tiempo de inactividad del equipo, por lo que sus máquinas funcionan de manera más confiable en general.
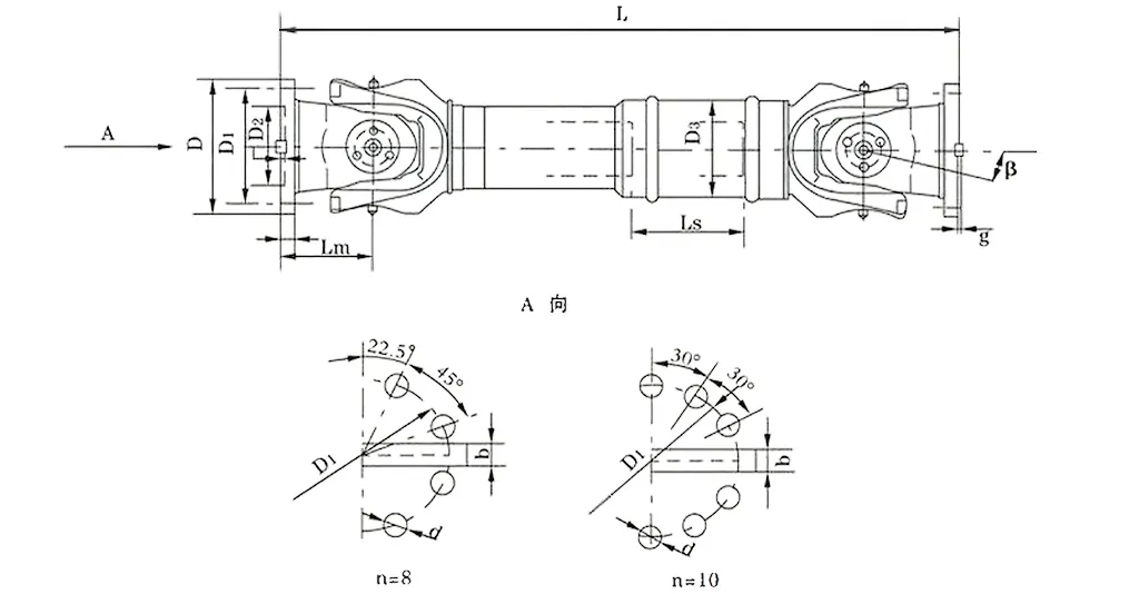
| No. | Diámetro de giro D mm | Torque nominal Tennesse KN · M | Ángulo de pliegue de hachas β (°) | Torado cansado TF KN · M | Cantidad flexible LS MM | Tamaño (mm) | Inercia giratoria KG.M2 | Peso (kg) | |||||||||||
| Lam | D1 (JS11) | D2 (H7) | D3 | Lm | Dakota del Norte | k | t | b (H9) | g | Lam | Aumentar 100 mm | Lam | Aumentar 100 mm | ||||||
| SWC180DH1 | 180 | 20 | 10 | ≤25 | 75 | 650 | 155 | 105 | 114 | 110 | 8-17 | 17 | 5 | - | - | 0.165 | 0.0070 | 58 | 2.8 |
| SWC180DH2 | 55 | 600 | 0.162 | 56 | |||||||||||||||
| SWC180DH3 | 40 | 550 | 0.160 | 52 | |||||||||||||||
| SWC225DH1 | 225 | 40 | 20 | ≤15 | 85 | 710 | 196 | 135 | 152 | 120 | 20 | 5 | 32 | 9.0 | 0.415 | 0.0234 | 95 | 4.9 | |
| SWC225DH2 | 70 | 640 | 0.397 | 92 | |||||||||||||||
| SWC250DH1 | 250 | 63 | 31.5 | ≤15 | 100 | 795 | 218 | 150 | 168 | 140 | 8-19 | 25 | 6 | 40 | 12.5 | 0.900 | 0.0277 | 148 | 5.3 |
| SWC250DH2 | 70 | 735 | 0.885 | 136 | |||||||||||||||
| SWC285DH1 | 285 | 90 | 45 | ≤15 | 120 | 950 | 245 | 170 | 194 | 160 | 8-21 | 27 | 7 | 40 | 15.0 | 1.876 | 0.0510 | 229 | 6.3 |
| SWC285DH2 | 80 | 880 | 1.801 | 221 | |||||||||||||||
| SWC315DH1 | 315 | 125 | 63 | ≤15 | 130 | 1070 | 280 | 185 | 219 | 180 | 10-23 | 32 | 8 | 40 | 15.0 | 3.331 | 0.0795 | 346 | 8.0 |
| SWC315DH2 | 90 | 980 | 3.163 | 334 | |||||||||||||||
| SWC350DH1 | 350 | 180 | 90 | ≤15 | 140 | 1170 | 310 | 210 | 267 | 194 | 10-23 | 35 | 8 | 50 | 16.0 | 6.215 | 0..2219 | 508 | 15.0 |
| SWC350DH2 | 90 | 1070 | 5.824 | 485 | |||||||||||||||
| SWC390DH1 | 390 | 250 | 125 | ≤15 | 150 | 1300 | 345 | 235 | 267 | 215 | 10-25 | 40 | 8 | 70 | 18.0 | 11.125 | 0.2219 | 655 | |
| SWC390DH2 | 90 | 1200 | 10.763 | 600 | |||||||||||||||
* 1. TF-bajo la alternancia cargue el par que permite de acuerdo con la resistencia a la fatiga. * 2. Lmin-la menor longitud después del corte. * 3. Longitud de Linstalación, que está según el requisito
El acoplamiento de articulación universal SWC, a menudo llamado acoplamiento de articulación universal del eje de cardán SWC, es un componente clave en escenarios industriales de servicio pesado. Es indispensable para molinos, maquinaria de elevación y varios sistemas de maquinaria pesada a gran escala. Como un acoplamiento de unión universal de alto torque, puede conectar efectivamente dos ejes de transmisión con ejes no coincidentes, asegurando la transmisión de potencia ininterrumpida incluso en condiciones de trabajo complejas y duras.
Los parámetros técnicos centrales de este acoplamiento son los siguientes:
Diámetro de giro: φ58 - φ620
Torque nominal: 0.15 - 1000 kN · m
Ángulo de pliegue del eje: ≤25 °
En aplicaciones prácticas, funciona excepcionalmente bien. Por ejemplo, durante las operaciones de la fábrica de rodillos, cuando se necesita un acoplamiento de articulación universal confiable de servicio pesado dedicado a las fábricas rodantes, o en equipos de elevación y manejo de materiales, cuando se requiere un acoplamiento de eje de articulación universal SWC duradero, este producto es completamente competente. Incluso bajo cargas pesadas, puede mantener estabilidad de manera estable del equipo.
El acoplamiento conjunto universal SWC está diseñado utilizando principios de ingeniería avanzados, ofreciendo un rendimiento excepcional y una vida útil más larga en entornos industriales. Sus principales características estructurales son las siguientes:
Estructura razonable y segura: con un diseño de cabezal de horquilla integrado, este acoplamiento de articulación universal industrial reduce el riesgo de aflojar o rotura de pernos, aumentando la resistencia estructural en un 30%-50%. Este diseño garantiza una operación segura y confiable, extiende la vida útil en comparación con los modelos tradicionales y evita fallas comunes en escenarios de alta presión, como los sistemas de acoplamiento de articulaciones universales de maquinaria pesada.
Capacidad de carga mejorada: el acoplamiento de unión universal de servicio pesado SWC está diseñado específicamente para soportar cargas pesadas, lo que lo hace esencial en escenarios que requieren una excelente gestión de carga, como la minería o la maquinaria de construcción.
Alta eficiencia de transmisión: con una eficiencia de hasta 98.6%, este acoplamiento de articulación universal eficiente para la transmisión de alta potencia reduce significativamente el consumo de energía y los costos relacionados, lo que la convierte en la primera opción para las soluciones de acoplamiento de la articulación universal que ahorra energía en sistemas de transmisión industrial de alta potencia.
Operación estable con bajo ruido: este acoplamiento de unión universal de bajo ruido funciona de manera estable con niveles de ruido típicamente entre 30-40 dB (a), lo que garantiza un rendimiento silencioso. Es ideal para entornos sensibles al ruido mientras se mantiene una alta confiabilidad.
Los acoplamientos de articulación universales, especialmente el acoplamiento de articulación universal SWC Cardan, se han convertido en componentes de transmisión indispensables en aplicaciones industriales debido a sus ventajas sobresalientes. Pueden satisfacer las necesidades centrales con su rendimiento en campos, como maquinaria pesada, fabricación de precisión y transmisión de energía. A continuación se muestra un análisis detallado de sus ventajas clave:
1. Transmisión de par fuerte y excelente compensación de desalineación
Como un acoplamiento de unión universal de alto torque, puede transmitir de manera estable las cargas de alta potencia. Incluso en escenarios en los que se produce la desalineación del eje con frecuencia durante las operaciones de la fábrica de rodillos, como el desplazamiento axial causado por el desgaste del rodillo y los cambios de temperatura durante el rodamiento de acero, este acoplamiento de unión universal de servicio pesado confiable para las operaciones de la fábrica de rodillos puede manejarlo con facilidad. Puede compensar simultáneamente las desalineaciones angulares, axiales y radiales, con una desalineación angular máxima de hasta 25 grados. Esta excelente adaptabilidad de desalineación previene atascos de transmisión causados por la desalineación del eje, garantiza la entrega de energía continua y estable, reduce significativamente la probabilidad de fallas mecánicas en condiciones de trabajo extremas y garantiza el funcionamiento continuo de las líneas de producción.
2. Alta durabilidad y vida útil más larga
El diseño y la selección de material de los acoplamientos de articulación universales SWC se centran en "resistir cargas pesadas y resistencias de entornos duros". El cuerpo principal está hecho de acero de aleación de alta resistencia, combinado con una estructura de cabeza de horquilla integrada, que reduce fundamentalmente los puntos de falla comunes, como el aflojamiento de pernos y la rotura de los componentes. Tomando el acoplamiento duradero de eje de articulación SWC universal utilizado en el equipo de elevación y manejo de materiales como ejemplo, puede soportar la carga de impacto instantánea al levantar objetos pesados y mantener un rendimiento estable en entornos duros como polvo y altas temperaturas. En comparación con los acoplamientos tradicionales de estructura dividida, este acoplamiento articular universal industrial tiene una resistencia general aumentada en un 30%-50%, lo que no solo reduce la frecuencia del mantenimiento diario, sino que también extiende la vida útil de 2-3 años. Es particularmente adecuado para las necesidades de operación de alta carga a largo plazo de los sistemas de acoplamiento de articulación universal de maquinaria pesada.
3. Alta eficiencia de transmisión y un efecto significativo de ahorro de energía
Las pruebas han demostrado que la eficiencia de transmisión del acoplamiento de la articulación universal de servicio pesado SWC es tan alta como 98.6%, lo que tiene ventajas obvias en escenarios de transmisión industrial de alta potencia, como ventiladores de alto horno en plantas de acero y sistemas de transmisión de carbón en plantas de energía. Para el equipo que requiere una transmisión continua de alta potencia, la coincidencia con este eficiente acoplamiento de la junta universal para la transmisión de potencia grande puede minimizar la pérdida de potencia. Para las empresas que buscan soluciones de acoplamiento de unión universal que ahorra energía, esta alta eficiencia se puede convertir directamente en ventajas de costos: tomar un motor industrial de 1500kW como ejemplo, puede ahorrar más de 12,000 yuanes en costos de electricidad por año, y puede ayudar a las empresas a reducir los costos operativos considerables en el uso a largo plazo, mientras se enfrenta a las trends de la reducción de energía y el consumo de la reducción de la reducción en el campo industrial.
4. Operación estable y tranquila, adecuada para múltiples escenarios
Al optimizar la precisión del ajuste del rodamiento y el uso de la grasa lubricante con un coeficiente de baja fricción, el ruido de funcionamiento de este acoplamiento articular universal de bajo ruido se controla estrictamente a 30-40 dB (a), lo que es equivalente al nivel de ruido ambiental de una oficina diaria y cumple completamente con los estándares de emisiones de ruido de los sitios industriales. En escenarios sensibles al ruido, como las líneas de producción en las plantas de procesamiento de alimentos y la transmisión de equipos para componentes electrónicos de precisión, no solo puede garantizar la estabilidad y confiabilidad del sistema de transmisión, sino también evitar afectar el entorno del taller o la experiencia operativa de los empleados debido al ruido. Al mismo tiempo, las características de transmisión estables también pueden reducir el desgaste de los componentes circundantes causados por la vibración del equipo, mejorando aún más la estabilidad operativa y la vida útil de todo el sistema de producción.
El acoplamiento universal SWC-DH Short Flex Type Universal, a menudo conocido como el acoplamiento de unión universal SWC Cardan Shoft, se utiliza principalmente en escenarios de maquinaria pesada, como molinos y polipastos. Este tipo de equipo tiene requisitos extremadamente altos para la compacidad estructural y la flexibilidad, solo al satisfacer estos dos puntos se pueden lograr una operación eficiente, y este acoplamiento satisface perfectamente tales necesidades. Como un acoplamiento de articulación universal de alto torque, puede conectar efectivamente dos ejes de transmisión con ejes no coincidentes, asegurando una transmisión de potencia perfecta incluso en entornos industriales duros que requieren una compensación precisa para la desalineación del sistema de eje.
En aplicaciones prácticas, se necesita un acoplamiento de articulación universal de alta resistencia confiable para las operaciones de la fábrica de rodillos durante el trabajo de la fábrica de rodillos, o se requiere un acoplamiento duradero de eje de unión universal SWC en equipos de elevación y manejo de materiales, este producto puede funcionar excelentemente; puede mantener una operación de equipos estables incluso bajo cargas extremas. Su ventaja de adaptabilidad es particularmente prominente en los diseños de equipos compactos donde el espacio es limitado y se requiere un diseño de estructura flexible corto.
Este acoplamiento conjunto universal industrial SWC-DH está construido con tecnología de ingeniería avanzada y optimizado para el rendimiento y la vida útil específicamente para escenarios industriales. Su característica estructural central se encuentra en su diseño razonable y seguro: la estructura integrada de la cabeza de la bifurcación elimina fundamentalmente los peligros ocultos de aflojamiento o rotura de pernos, aumentando la resistencia general en un 30%-50%. Este diseño no solo garantiza la seguridad y la confiabilidad de la operación, sino que también extiende la vida útil en comparación con los modelos tradicionales, al tiempo que evita problemas de falla comunes en escenarios de aplicación de alto estrés, como sistemas de acoplamiento de articulaciones universales de maquinaria pesada.
Además, su capacidad de carga se mejora a través del diseño para resistir mayores pesos, por lo que este acoplamiento de juntas universales de servicio pesado SWC es muy adecuado para escenarios con requisitos estrictos sobre la capacidad de carga, como la maquinaria minera y el equipo de construcción. En términos de eficiencia de transmisión, alcanza hasta 98.6%. Como un acoplamiento de articulación universal eficiente para una gran transmisión de energía, puede reducir significativamente el consumo de energía y los costos de electricidad, lo que lo convierte en un producto preferido para soluciones de acoplamiento de juntas universales que ahorran energía en el campo de la transmisión industrial de alta potencia.
Finalmente, este acoplamiento presenta una transmisión estable, con ruido de operación generalmente controlado a 30-40 dB (a), lo que lo convierte en un acoplamiento de unión universal de bajo ruido. Esta característica le permite operar silenciosamente incluso en escenarios industriales sensibles al ruido mientras mantiene una alta confiabilidad en todo momento.
⭐⭐⭐⭐⭐ Wang Lei, ingeniero de proyectos, Guangdong Heavy Machinery Co., Ltd.
Hemos estado utilizando el acoplamiento universal SWC-DH Flex de Raydafon en nuestra maquinaria pesada durante un tiempo, y ha sido una sorpresa agradable, especialmente cuando se trata de encajar en puntos apretados. Nuestro equipo tiene un espacio bastante limitado para las piezas de transmisión, pero el diseño compacto de este acoplamiento se ajusta a un guante, sin necesidad de reorganizar otros componentes solo para que funcione.
Lo que es aún mejor es que no sacrifica el rendimiento del tamaño. Todavía ofrece transmisión de par fuerte y constante, crítica para nuestras operaciones de servicio pesado. Lo hemos ejecutado continuamente durante semanas, y ha habido cero vibración anormal; Todo el sistema permanece suave. La calidad de la soldadura también es otro punto destacado: puede decir que es sólido con solo mirarla, lo que nos da una confianza total de que se mantendrá en un uso pesado a largo plazo. Para un acoplamiento que equilibra el diseño y la confiabilidad para ahorrar espacio, este es un ganador.
⭐⭐⭐⭐⭐ Zhao Ming, Gerente de Adquisiciones, Tianjin Steel Equipment Co., Ltd.
Recientemente ordenamos varios acoplamientos SWC-DH de Raydafon, y tengo que decir que todo el proceso de adquisición fue muy fácil, sin dolores de cabeza, sin retrasos. Desde el momento en que enviamos el pedido, su equipo respondió, y la entrega apareció justo en la fecha programada, lo cual es una gran ventaja para mantener nuestra producción en camino. El empaque también era de primera categoría: cada acoplamiento se envolvió de forma segura, sin abolladuras ni daños durante el envío, solo listo para desempaquetarse e instalar.
Nuestro equipo técnico manejó la configuración, y mencionaron de inmediato lo fácil que era montar. No hay pasos complicados, no hay necesidad de buscar herramientas especiales: lo instalaron rápidamente, y ha estado funcionando de manera confiable desde entonces. Cuando tiene en cuenta el precio razonable combinado con este rendimiento consistente, está claro que este acoplamiento ofrece un gran valor. Ya estamos planeando mantenerlo en nuestra lista de adquisiciones regular; Es el tipo de producto que hace que mi trabajo sea más fácil.
⭐⭐⭐⭐⭐ Liu Hong, Director de Mantenimiento, Shandong Industrial Group
Como alguien que supervisa el mantenimiento del equipo, mi mayor prioridad es reducir el tiempo de inactividad y reducir el tiempo que mi equipo gasta en el servicio de piezas. El acoplamiento SWC-DH de Raydafon marca las dos casillas perfectamente. Lo usamos en equipos que se ejecuta bajo cargas de trabajo pesadas diariamente, y nunca se desliza ni cambia, se detiene firmemente en su lugar, sin conexiones sueltas. Incluso después de meses de uso, apenas hay un signo de desgaste, lo cual es un gran contraste con otros acoplamientos que hemos usado antes.
Con esos acoplamientos más antiguos, siempre estábamos programando soluciones rápidas o reemplazos de piezas, que comían en el tiempo de producción y sumaban en costos. ¿Éste? Apenas lo tocamos, sin servicio frecuente, sin averías inesperadas. Nos ha ahorrado mucho tiempo y dinero en mantenimiento, y sigue haciendo su trabajo de manera confiable. En estos días, se ha convertido en un componente de referencia en nuestras operaciones diarias; No tengo que preocuparme de que falle, lo que me permite concentrarme en otras prioridades. Es exactamente el tipo de parte confiable que cada equipo de mantenimiento necesita.
DIRECCIÓN
Área industrial de Luotuo, distrito de Zhenhai, ciudad de Ningbo, China
Teléfono
Correo electrónico


+86-574-87168065


Área industrial de Luotuo, distrito de Zhenhai, ciudad de Ningbo, China
Copyright © Raydafon Technology Group Co., limitado todos los derechos reservados.
Links | Sitemap | RSS | XML | política de privacidad |
